Litar Kawalan Motor
Kawalan motor elektrik bbv 30103 fptv uthm bab 6. Motor arus terus at herney aqilah kay.
Litar Utama Dan Litar Kawalan Motor Elektrik
Scribd is the world s largest social reading and publishing site.
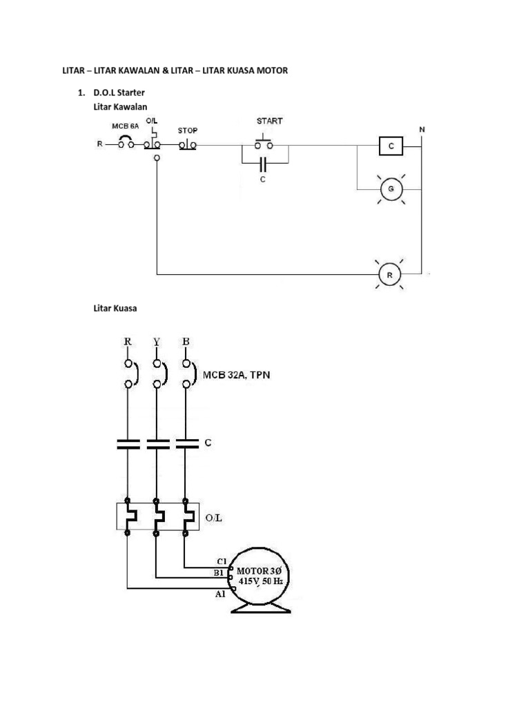
Litar kawalan motor. Sesiapa yang menghafal surah alkhafi. At ogos 19 2018 nota litar kawalan motor elektrik dol atau penghidup talian terus. Tujuan gambarajah skema ini dibina adalah.
Memudahkan pengguna memahami kendalian litar tersebut. Gambarajah skema memberikan gambaran sesuatu litar yang mudah untuk difahami dengan cepat. Relay dan contactor muhammadsyafie10.
Kawalan motor elektrik bbv 30103 fptv uthm rahsia surah al kahfi 1. View bab 6 litar kawalan motor ppt from bbe 9 at tun hussein onn university of malaysia. 1 semiconductor material lemon sour.
Litar utama dan litar kawalan motor elektrik al ayubi. Untuk memudahkan pendawaian dan penyambungan litar ii. Litar kawalan motor elektrik dol atau penghidup talian terus by mr.
Litar kawalan motor elektrik adalah salah satu daripada konsep asas untuk pengenalan di dalam bidang pemasangan dan pendawaian di dalam bidang elektrik. Ianya melibatkan penggunaan sebuah peranti yang mengunakan tenaga elektrik untuk menghasilkan tenaga mekanikal. Litar kawalan dol ini adalah asas kawalan motor yang wajib pelajar elektrik tahu.
Litar kawalan motor pengenalan. Komponen dalam litar kawalan peterus balan. Litar litar kawalan motor free download as word doc doc docx pdf file pdf text file txt or read online for free.
Sistem Amaran Kawalan Motor Star Delta Pdf Document
Litar Kawalan Motor Elektrik Mara Songsang Nota Kejuruteraan Teknologi Elektrik Vokasional Politeknik Ikm Ilp Universiti
Litar Kawalan Dan Litar Utama Motor Elektrik Star Delta Nota Kejuruteraan Teknologi Elektrik Vokasional Politeknik Ikm Ilp Universiti
Litar Kawalan Motor Pdf Document
Litar Litar Kawalan Motor Pdf Components Magnetism
Litar Kawalan Motor Elektrik Dol Atau Penghidup Talian Terus Nota Kejuruteraan Teknologi Elektrik Vokasional Politeknik Ikm Ilp Universiti
Litar Projek Kawalan Motor Forward Reverse Star Delta
Kertas Tugasan 1 Kawalan Turutan
Discover Electronics Embeded System Robotics Litar Kawalan Motor Menggunakan Relay
Litar Projek Kawalan Motor Forward Reverse Star Delta
My Two Cents Contoh Litar Kawalan Motor 3 Fasa 415 V Bagi Sistem Penghidup Bintang Delta Mara Songsang
Blog Amirul Kawalan Motor Dan Penghidup Talian Terus D O L
Litar Utama Dan Litar Kawalan Motor Elektrik
Litar Kawalan Motor Logik Tangga Buku Teks 2020



0 comments: