Lakaran Litar Kawalan Motor
Kebiasaanya litar utama mengandungi sesentuh utama geganti beban lampau dan motor. Litar kawalan motor elektrik ini mempunyai peralatan dan komponen yang senang untuk di dapati dan di perolehi.
Litar Kawalan Motor Elektrik Mara Songsang Nota Kejuruteraan Teknologi Elektrik Vokasional Politeknik Ikm Ilp Universiti
Hidup henti 5.
Lakaran litar kawalan motor. Scribd is the world s largest social reading and publishing site. Untuk membuka litar kawalan dan memutuskan litar ke motor ketika berlaku beban lebih lampau. Penyentuh dilengkapi dengan komponen berikut kecuali.
Muhamad farih b ishak d20082034008. Penderia gerakan mengesan sebarang pergerakan dan memberikan isyarat kepada sistem kawalan. Jadual 3 1 menunjukkan alatan tangan yang boleh digunakan dalam kerja kerja pendawaian elektrik ialah.
Melengkapkan dan membuka litar kawalan dalam masa yang tertentu. Fungsi kawalanfungsi kawalan motormotor 3. Teresa anak belun d20082033999.
Litar kawalan motor elektrik adalah salah satu daripada konsep asas untuk pengenalan di dalam bidang pemasangan dan pendawaian di dalam bidang elektrik. Alatan tangan merupakan alat yang digunakan bagi melakukan pendawaian. Gear pada motor membantu memudahkan pergerakan.
Tengku mohd al hafez d20082033940. Komponen elektronik disatukan di dalam litar pemacu motor. Ianya melibatkan penggunaan sebuah peranti yang mengunakan tenaga elektrik untuk menghasilkan tenaga mekanikal.
Jenis litar iaitu i. Semester 2 2009 2010 kumpulan b. Penderia gerakan mengesan sebarang pergerakan dan memberikan isyarat kepada sistem kawalan.
Takal tali sawat komponen mekanikal litar pemacu motor penderia gerakan bab 1 aplikasi teknologi 14 bab1 25. Litar utama akan menerima bekalan masuk 3 fasa 415v. Litar utama hanya menunjukkan bagaimana bekalan disambungkan ke motor sama ada secara terus atau melalui perantaraan penyentuh.
Litar kawalan litar utama. Bab 2 fungsi kawalan motor 1. Motor elektrik merupakan peranti yang menggunakan tenaga elektrik bagi menghasilkan tenaga mekanik hampir sepenuhnya melalui tindak balas medan magnet dan pengalir yang mengalirkan arus elektrik.
Audrey anak anding d20082033972. Sistem elektronik komponen elektronik disatukan di dalam litar pemacu motor. Cik norly binti jamil.
Litar pemacu motor penderia gerakan 14. Litar litar kawalan motor free download as word doc doc docx pdf file pdf text file txt or read online for free. Motor tarikan traction motor yang digunakan pada kenderaan.
Proses sebaliknya iaitu yang menggunakan tenaga mekanik bagi menghasilkan tenaga elektrik dicapai dengan penjana elektrik atau dinamo. Fptv uthmfptv uthm bb bb vv 33 00 11 00 33 2. Reka bentuk mekatronik sistem elektrik terdiri daripada motor at dan pengubah transformer.
Fungsi kawalan motor pada asasnya mempunyai 5 kategori utama iaitu. Litar utama litar motor. Kawalan motor dan pembelajaran motor.
Cosma mesey anak lumpoi d20082033966.
Litar Litar Kawalan Motor Components Magnetism
Lukisan Pendawaian Elektrik 1 Fasa Cikimm Com
Litar Kawalan Pendawaian Satu Fasa
Bagaimana Untuk Mengawal Kelajuan Motor Dc Dengan Arduino Dummies Bisnis 2020
Electrical My Hobby Penghidup Motor Motor Starter
Projek Elektronik Projek Projek Elektronik Elektronik Projek Elektronik 2012
Kawalan Laju Dengan Voltan Stator Boleh Ubah Ppt Katebasma
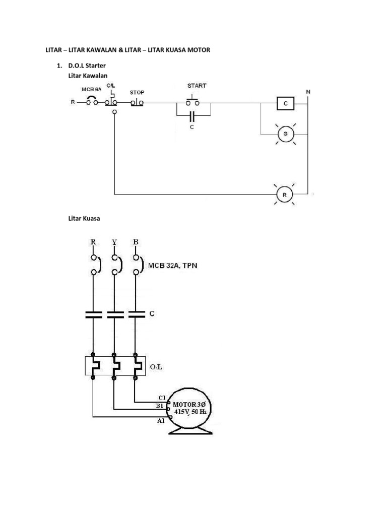
Litar Kawalan Motor Elektrik Dol Atau Penghidup Talian Terus Nota Kejuruteraan Teknologi Elektrik Vokasional Politeknik Ikm Ilp Universiti
Online Notes Modul Litar Kawalan Motor Elektrik Bab 2 Pengenalan Asas Litar Kawalan Motor Elekrik
Litar Kawalan Dan Litar Utama Motor Elektrik Star Delta Nota Kejuruteraan Teknologi Elektrik Vokasional Politeknik Ikm Ilp Universiti
3 Tentang Fungsi Fungsi Peralatan Untuk Kawalan Motor Elektrik Pdf Download Gratis
Blog Amirul Kawalan Motor Dan Penghidup Talian Terus D O L
Elvin Bin Surom Kawalan Motor Star Delta



0 comments: