Kawalan Motor Satu Fasa
Kawalan motor kawalan motor adalah satu sistem yang terdiri daripada gabungan beberapa peralatan yang bertujuan untuk mengawal pergerakan motor sama ada 1 fasa atau 3 fasa. No sebab sebab kemungkinan tindakan 1 motor beroperasi didalam satu fasa matikan motor jika beroperasi dalam satu fasa ia tidak dapat dihidupkan semula periksa jika ada litar terbuka 2 aci tidak berputar dengan betul di alas.
Https Www Researchgate Net Profile Mohamed Mourad Lafifi Post How To Fix The Values Of Pid Controller In Speed Estimation Of Induction Motor Using Mras Observer Approach Attachment 59dd2fc04cde260ad3ce905b As 3a548013064060928 401507667904200 Download Speed Estimation Techniques For Induction Motor Using Digital Signal Processing Pdf
Saiz motor ini dibuat kecil sebab kecekapannya rendah dan perbelanjaan pengurusannya lebih tinggi jika dibandingkan dengan motor tiga fasa pada ukuran fizikal yang sama lazimnya motor ini digunakan di kilang kilang perusahaan dan kadar kuasanya dihadkan sehingga 8 kw sahaja.

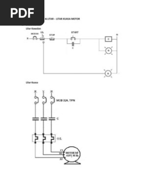
Kawalan motor satu fasa. Pelindung asas kawalan motor setiap motor yang mempunyai kuasa lebih daripada 0 5 kuasa kuda kk atau bersamaan 373 watt hendaklah mengadakan pelindung asas menghidupkan motor mohd anis bin. Menujukjan sambungan kawalan motor 3 fasa. Malahan jika sebuah motor arus ulang alik dapat dihidupkan dari satu bekalan yang mempunyai voltan penuh ianya akan megakibatkan satu pergerakan arus biasa yang tinggi diantara 2 hingga 6 kali ganda daripada kendalian yang biasa.
Fungsi sistem kawalan motor. Motor fasa belah sangkar tupai boleh digunakan untuk bekalan satu fasa seperti di rumah tetapi teknik yang berlainan digunakan untuk menghidupkannya adalah diperlukan. Jika untuk 3 fasa ianya sama sahaja.
Setelah bekalan dimatikan papan tanda hendaklah diletakkan di setiap susi dan kawalan bagi mengelakkan daripada orang lain menghidupkannya kecuali dirinya sendiri. No volt coil atau no volt release 3. Kawalan motor adalah satu sistem yang terdiri daripada gabungan beberapa peralatan yang bertujuan untuk mengawal pergerakan motor sama ada 1 fasa atau 3 fasa.
Ianya satu set alat yang boleh memberikan satu kawalan penuh kepada sesebuah motor untuk berkendali. Menghidup dan mematikan sesebuah motor elektrik sama ada 1 fasa atau 3 fasa. Mengelakkan motor hidup dengan sendiri setelah berlaku keputusan bekalan.
Mengelakkan motor hidup dengan sendiri setelah berlaku keputusan bekalan. Konsep asas kawalan motor elektrik untuk menghidupkan sesebuah motor perlu diadakan satu kaedah kawalan penghidupan yang disebut sebagai pemula motor motor starter. Arus ini hanya boleh menggerakkan motor berputar tetapi arus tersebut tidak dapat menghidupkan motor.
Motor jenis ini menggunakan kapasitor di salah satu stator windingnya dimana besarnya kapasitas dari kapasitor sebisa mungkin dibuat kecil. 4 2 fungsi sistem kawalan motor. Cubaan menggunakan bekalan satu fasa.
No volt coil atau no volt release. Motor induksi satu fasa ini memiliki 4 jenis berdasarkan bagaimana motor ini diaktifkan sendiri self starting. Motor satu fasa ialah motor yang direka khas supaya dapat dikendalikan pada bekalan satu fasa sahaja iaitu bekalan 240v.
Untuk mengatasai masalah ini dua lilitan digunakan dalam motor. Mohd anis bin yahya 2 17 january 2016. Menghidup dan mematikan sesebuah motor elektrik sama ada 1 fasa atau 3 fasa.
Misalkan kita memiliki sumber arus 2 fasa dan sumber ini disambungkan pada motor jenis ini maka arus yang mengalir. Jika sambungan bagi mana mana dua punca talian yang disambungkan ke motor disongsang satu daya kilas songsangan akan timbul memberikan penghentian motor yang cepat dan kemudian kembali pada arah songsang. Disebabkan arus rotor oleh stator melawan medan stator.
Dalam sesetengah penggunaan motor tiga fasa adalah mustahak untuk menghentikan motor tersebut dengan serta merta. Perkara ini dapat disimpulkan adalah kerana ianya dibina untuk.
Litar Litar Kawalan Motor Components Magnetism
Kinitv Live Covid 19 Situation Update By Senior Minister Ismail Sabri Facebook
Ministry Of International Trade And Industry Malaysia Photos Facebook
Electrical Tech Level 3 Three Phase Two Speed Motor
Pendawaian Penghidup Motor Satu Fasa Forward Reverse Part 1 Youtube
8 Perkara Yang Anda Wajib Tahu Tentang Pkp Fasa Kedua Bermula Esok Hingga 14 April 2020 In 2020 Road
Bab 1 Kawalan Motor Ylyxz7022enm
Blog Amirul Kawalan Motor Dan Penghidup Talian Terus D O L
3 Tentang Fungsi Fungsi Peralatan Untuk Kawalan Motor Elektrik Pdf Download Gratis
Lab Kawalan Motor Forward Reverse
Online Notes Modul Litar Kawalan Motor Elektrik Bab 2 Pengenalan Asas Litar Kawalan Motor Elekrik
Pdf Proportional Integral Derivative Dc Motor Speed Control System For Xy Plane Movements
Electrical My Hobby Penghidup Motor Motor Starter
Electric Motor Control Dc Ac And Bldc Motors
Litar Kawalan Motor Ac Kerja Litar Elektrik Ac Lembaran Kerja 2020


0 comments: